Race Engine Development
BDN Automotive provides state-of-the-art race engine development and trackside race engineering services to all range of customers fulfilling any needs. Get the most out of your engines, and let’s win races together!
Come to us if you need
- F1 technologies
- Ultimate performance
- Outstanding durability
- Designed by ex. Koenigsegg engineer

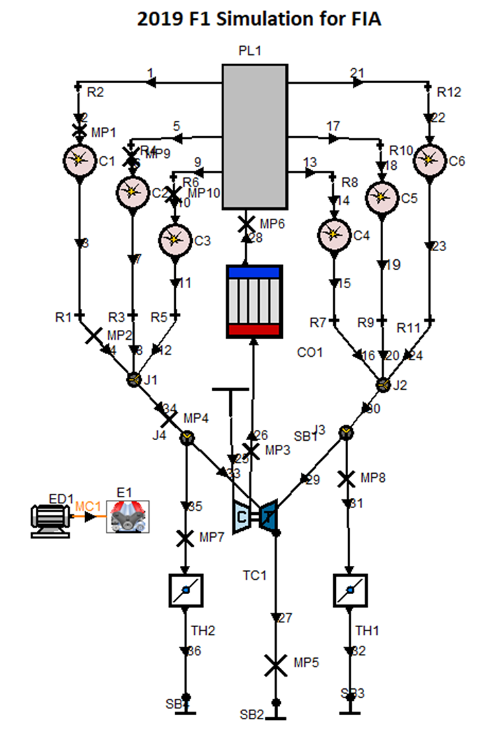
Race engine development is a really complex task, as exceeding the performance barrier is not possible only by sourcing the top level components from the market. The hidden performance is could be unleashed by finding the perfect balance between the different parts. We provides simulation based development services, reducing the extreme cost of the traditional trial and error method. This helps us designing the characteristics of the given engine satisfying all of our clients’ needs whether it is a 1000+ hp drag bike, or a historic rally engine.
How We Work
Step 1: CT Analysis
We take the old engine block, cylinder head, or whatever component and put it into an industrial X-ray or other 3D scanning methods.
Step 2: Reverse Engineering
Based on the 3D scan images, we can reverse engineer the whole component into a CAD file, or design a bespoke part that will fit into the design envelope.
Step 3: Iterative design process
After the initial concept, comes the most interesting part. For the actual design process we use:
- 1D simulations
- 3D CFD simulations
- FEM (Finite Element Analysis)
- Generative Design
Step 4: Prototyping
For the first tests of a new component, we use quick and cost efficient prototyping methods:
- Different types of 3D printing
- Other additive manufacturing technologies
Step 5: Manufacturing
At the end of the design phase, we produce drawings and CAD files, and manufacture the component using our trusted partner network - for any parts of an engine with a short lead-time and competitive pricing.
Step 6: Validation
The simulations are only as good as their validation processes. BDN provides a patented combustion analysis - which is used by OEMs and hypercar manufacturers. The measured values are fed back to the simulations as an input parameter, to simulate real world conditions creating 100% trust in the virtual environment!
Step 7: Race Engineering
BDN takes care of the whole process from the first sketch through building and calibrating your engine to trackside support.
Our motorsport engineers are qualified by Cranfield University Advanced Motorsport Engineering, and have multiple years of experience in trackside support, OEM and hypercar development.
Tell us your idea, and let us make it reality!
Tell us your idea, and let us make it reality!
Our motorsport engineers are qualified by Cranfield University Advanced Motorsport Engineering, and have multiple years of experience in trackside support, OEM and hypercar development.
Tell us your idea, and let us make it reality!
Tell us your idea, and let us make it reality!













